Soluzioni ottimizzate e facili da adottare

Ricompressore meccanico del vapore

Massimo sfruttamento del calore

Il problema e la soluzione

Il ricompressore meccanico di vapore è un’opzione aggiuntiva per il Vapogant se il calore di scarto disponibile da una centrale di cogenerazione è scarso o nullo.

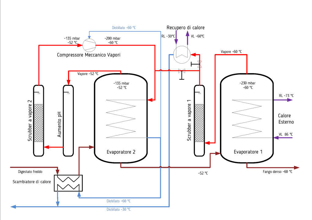
La procedura

1. riscaldamento nel vaporizzatore 1:

Il contenuto dell’evaporatore 1 viene riscaldato utilizzando la potenza termica di una fonte esterna, fino alla produzione di vapore

2. utilizzo del vapore nel vaporizzatore:
Il vapore risultante dall’evaporatore 1 viene utilizzato per riscaldare l’evaporatore 2.
Nell’evaporatore 2, il vapore purificato si condensa nelle piastre dell’evaporatore e l’energia di condensazione viene utilizzata per riscaldare i contenuti dell’evaporatore 2.

3. ulteriore processo di vaporizzazione nel vaporizzatore 2:
Non appena il vapore viene prodotto nell’evaporatore 2, le linee del vapore sono collegate in modo tale che il vapore dell’evaporatore 2 venga compresso tramite il compressore meccanico del vapore (MBV). Il vapore compresso, mischiato al vapore proveniente dall’evaporatore 1, viene quindi utilizzato come vapore di riscaldamento per l’evaporatore 2

4. controllo della temperatura del vapore compresso:
Nell’MBV il vapore viene compresso, il che comporta un aumento della temperatura.
La condensa viene iniettata per raffreddare il vapore compresso ed evitare che il vapore surriscaldato entri nelle piastre dell’evaporatore.

5. utilizzo aggiuntivo del vapore e condensazione:
Per fornire una quantità sufficiente di vapore riscaldante all’evaporatore 2, è possibile immettere una parte del vapore dell’evaporatore 1.
Il vapore rimanente dall’evaporatore 1 viene inviato all’utilizzo del calore e lì precipita come condensa.

6. utilizzo e stoccaggio del calore:
L’energia termica contenuta nel vapore condensato viene disaccoppiata.
Questo calore può essere immagazzinato temporaneamente in un accumulatore di calore o utilizzato direttamente.

Industrie-Rührwerk mit Elektromotor zur Durchmischung von Substrat in Biogasanlagen von Biogastechnik Süd

Vantaggi

  • Bassa potenza termica richiesta per la stessa quantità di condensa
  • Massimo sfruttamento del calore esterno
  • Utilizzo di energia termica ed elettrica
  • Maggiore efficienza

Hai bisogno di altre informazioni?

Puoi scaricare qui le informazioni tecniche oppure non esitare a chiamarci!

Kontakt

Biogastechnik Süd GmbH
Am Schäferhof 2
88316 Isny im Allgäu
Deutschland

Tel. +49 7562 97085-40
service@biogastechnik-sued.de