Optimierte & Benutzerfreundliche Lösungen

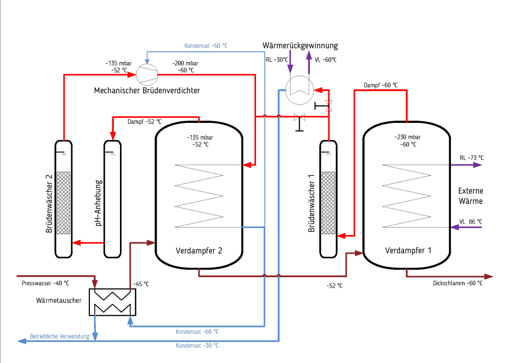
Brüdenverdichter

Maximale externe Wärmenutzung

Das Problem & die Lösung

Der Brüdenverdichter ist eine zusätzliche Option für den Vapogant, wenn keine oder wenig Abwärme aus einem BHKW zur Verfügung steht. Trotz der geringen Menge an Strom und Wärme macht er es möglich, mindestens dieselbe Menge an Kondensat zu verdampfen.

Das Verfahren

1. Erhitzung im Verdampfer 1:

Der Inhalt im Verdampfer 1 wird mithilfe der thermischen Leistung aus dem Blockheizkraftwerk (BHKW) erhitzt, bis Dampf entsteht.

2. Nutzung des Dampfes (Brüden) im Verdampfer 2:
Der entstehende Dampf (Brüden) aus Verdampfer 1 wird zur Erwärmung des Verdampfers 2 genutzt.
Im Verdampfer 2 kondensiert der gereinigte Brüden in den Verdampferplatten, wobei die Kondensationsenergie zur Erhitzung des Inhalts im Verdampfer 2 genutzt wird.

3. Weiterer Dampfprozess im Verdampfer 2:
Sobald im Verdampfer 2 Dampf entsteht, werden die Dampfleitungen so verschaltet, dass der Brüden aus Verdampfer 2 über den Brüdenverdichter (MBV) verdichtet wird.
Der verdichtete Brüden wird anschließend als Heizdampf für den Verdampfer 2 verwendet.

4. Temperaturregelung des verdichteten Brüden:
Im MBV wird der Brüden verdichtet, was zu einer Temperaturerhöhung führt.
Um keinen überhitzten Dampf in die Verdampferplatten einzuleiten, wird Kondensat zur Kühlung des verdichteten Brüden eingespritzt.

5. Zusätzliche Dampfnutzung und Kondensation:
Um genügend Heizdampf für Verdampfer 2 bereitzustellen, kann ein Teil des Brüden aus Verdampfer 1 zugeleitet werden.
Der restliche Brüden aus Verdampfer 1 wird zur Wärmenutzung geführt und dort als Kondensat ausgefällt.

6. Wärmenutzung und -speicherung:
Die enthaltene thermische Leistung des kondensierten Brüden wird ausgekoppelt.
Diese Wärme kann entweder in einem Wärmespeicher zwischengelagert oder direkt genutzt werden.

Vorteile

  • Geringe thermische Leistung notwendig für gleiche Kondensatmenge
  • Maximale externe Wärmenutzung
  • Nutzung thermischer und elektrischer Leistung
  • Effizienzsteigerung

Du brauchst noch mehr Infos?

Dann kannst du dir hier technische Informationen herunterladen, oder ruf uns doch einfach an!

Kontakt

Biogastechnik Süd GmbH
Am Schäferhof 2
88316 Isny im Allgäu
Deutschland

Tel. +49 7562 97085-40
service@biogastechnik-sued.de